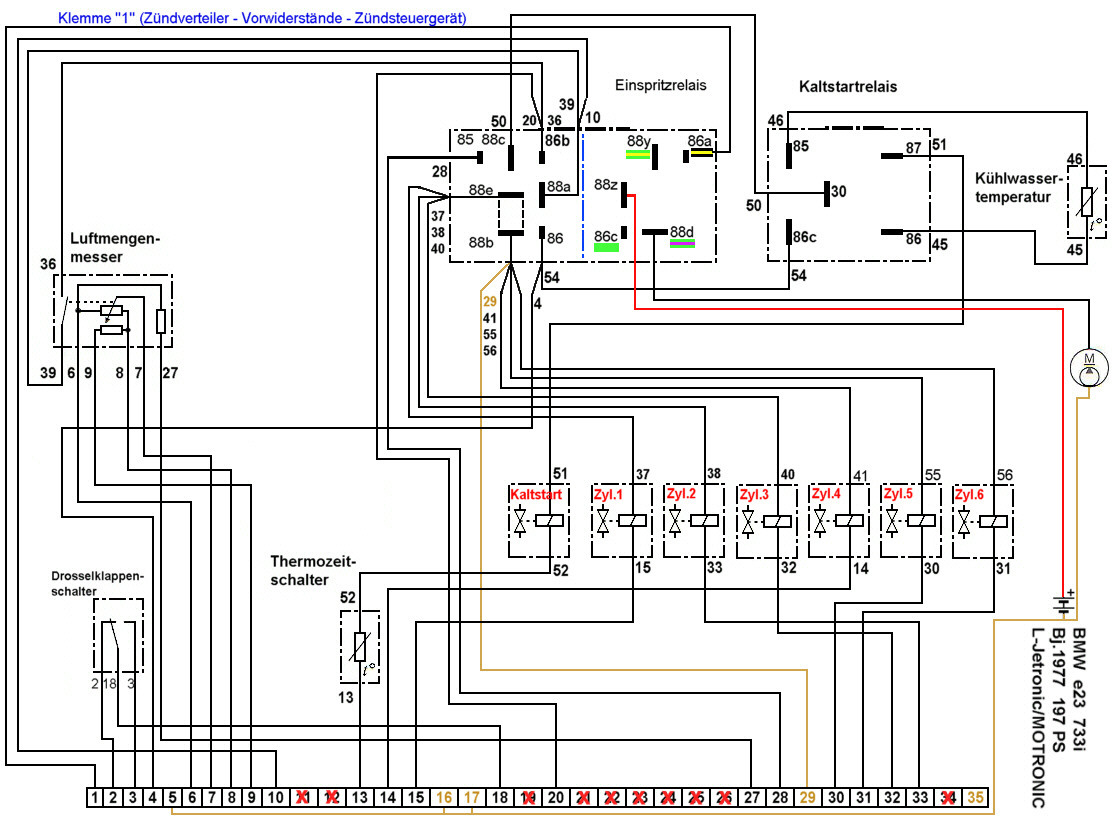
схема2

схема2
Схема1
Аватара пользователя
tommy
Сибирский БМВод
Сообщения: 655
Зарегистрирован: 23 май 2009, 14:42

схема2


01 окт 2010, 13:44
431
пока нет

Вернуться в «tommy»