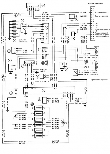
Электрическая схема L-Jetronic

Электрическая схема L-Jetronic
LE-JET
Устройство бензонасоса
Аватара пользователя
Ivan
Фанат E23
Сообщения: 606
Зарегистрирован: 29 мар 2007, 21:13

Электрическая схема L-Jetronic


11 окт 2009, 10:55
551
пока нет

Вернуться в «Ivan»